Acasa
Despre noi
Catalog online
CONTACT
Catalog online
INAPOI
BENZI PERFORATE UWT
DESCARCA FISA TEHNICA
AGREMENT TEHNIC
Protecție anti-coroziune: zinc galvanizat
Fisa tehnica:
Declaratie: KDWU 04_2020 z dn. 31.12.2020
Aprobare: ITB-KOT-2020_1561 wydanie 1
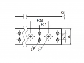
Lăţime A [mm]
Grosime g [mm]
K1 [mm]
K2 [mm]
K3 [mm]
d1 [mm]
d2 [mm]
Lungime [ml./rolă]
Masa [kg/mb.]
Marcaj pentru comandă
Număr catalog
17
0,60
12,5
25
10
8
4
25
0,06
UWT-17
81220017005
25
0,60
15,5
25
10
8
4
25
0,15
UWT-25
81220025005
Produse compatibile
Protecție anticorozivă: zinc galvanic.
DETALII
Protecție anticorozivă: zinc galvanic.
DETALII