Catalog online

INAPOI

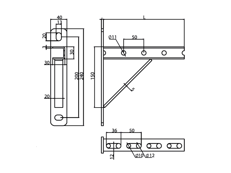
BRAȚ CONSOLĂ 30/30 SS-U


AGREMENT TEHNIC



Fisa tehnica:
Declaratie: 03_2020 z dn. 24.08.2020
Aprobare: ITB-KOT-2018/0744 wyd. 2
Lungime L[mm] Masa [kg] Marcaj pentru comandă Număr catalog
2500,86SS-U3,0-250 87230303025
3000,93SS-U3,0-300 87230303030
4001,08SS-U3,0-400 87230303040
6001,37SS-U3,0-600 87230303060
8002,66SS-U3,0-800 87230303080
10003,06SS-U3,0-1000 87230303100