Catalog online

INAPOI

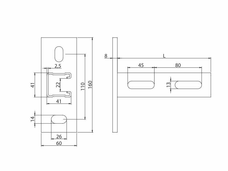
BRAȚ CONSOLĂ VERTICALĂ 41/41 SS90-MF


AGREMENT TEHNIC



Protecție împotriva coroziunii: zinc galvanic (la cerere este disponibil și la zincare la cald).
Documentatie tehnica:
KDWU 05_2020 z dn. 31.12.2020
ITB-KOT-2020_1562 wyd. 1
Lungime L[mm] Masa [kg] Marcaj pentru comandă Număr catalog
2401,18SS90-MF2,5-240 81041412400
3201,38SS90-MF2,5-320 81041413200
4801,80SS90-MF2,5-480 81041414800
5602,01SS90-MF2,5-560 81041415600
8002,63SS90-MF2,5-800 81041418000
10403,26SS90~MF2,5-1040 81041410000