Catalog online

INAPOI

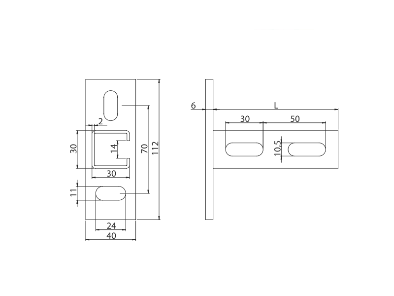
BRAȚ CONSOLĂ VERTICALĂ 30/30 SS90-A


AGREMENT TEHNIC



Protecție împotriva coroziunii: zinc galvanic (la cerere este disponibil și la zincare la cald).
Documentatie tehnica:
KDWU 05_2020 z dn. 31.12.2020
ITB-KOT-2020_1562 wyd. 1
Lungime L[mm] Masa [kg] Marcaj pentru comandă Număr catalog
1500,39 SS90-A2,0-150 81030301500
2500,52SS90-A2,0-250 81030302500
3000,59SS90-A2,0-300 81030303000
3500,66SS90-A2,0-350 81030303500
4500,80SS90-A2,0-450 81030304500
5000,86SS90-A2,0-500 81030305000
7501,20 SS90-A2,0-750 81030307500
10001,54SS90-A2,0-1000 81030300000