Acasa
Despre noi
Catalog online
CONTACT
Catalog online
INAPOI
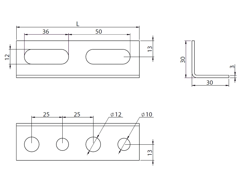
PROFIL DE MONTAJ L3,0
DESCARCA FISA TEHNICA
AGREMENT TEHNIC
protecție anti-coroziune: zincare la cald aplicatăprin procesul Sendzimir
Aplicabilitateră: utilizat pentru construcția de structuri, bare transversale și portante pentru canale de ventilație. Profilele sunt o garanție a soluțiilor rentabile.
Fisa
Dimensiuni colier L [mm]
Masa 1 buc. [kg]
Marcaj pentru comandă
Număr catalogMărime
2000
1,78
SZ-L3,0-2000
83730303020