Catalog online

INAPOI

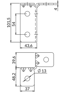
ARMATUTA DE MONTARE MX2D


AGREMENT TEHNIC



Proprietățile produsului
Protecția împotriva coroziunii: galvanizare zincată
Cerere: pentru crearea de structuri spațiale din profile de asamblare. Ștanțarea, proiectată în direcția opusă curburii, sporește rezistența componentei.
Pentru profil Greutate unitară [kg] Cantitate în ambalaj Măsuri unitare Marcaj pentru comandă Număr catalog
MF, MG, MH, MI0.310BUCMX2D481141200000

Produse compatibile


protecție anti-coroziune: zincare la cald aplicatăprin procesul Sendzimir Banda de amortizare este disponibilă pentru profil. Documentatie tehnica: KDWU 05_2020 z dn. 31.12.2020 ITB-KOT-2020_1562 wyd. 1

DETALII


protecție anti-coroziune: zincare la cald aplicatăprin procesul Sendzimir Banda de amortizare este disponibilă pentru profil. Documentatie tehnica: KDWU 05_2020 z dn. 31.12.2020 ITB-KOT-2020_1562 wyd. 1

DETALII


protecție anti-coroziune: zincare la cald aplicatăprin procesul Sendzimir Banda de amortizare este disponibilă pentru profil. Fisa tehnica: Declaratie: 03_2020 z dn. 24.08.2020 Aprobare: ITB-KOT-2018/0744 wyd. 2

DETALII