Catalog online

INAPOI

Plăci filetate XP-PG, XP-PGL


AGREMENT TEHNIC



Protecție împotriva coroziunii: Ultra Cover XP
Destinate pentru profilele MG, MF, MH, MI Przeznaczone do profili MG, MF, MH, MI
Marcaj pentru comandă XP-PG-MF-M12XP-PGL-MF-M12
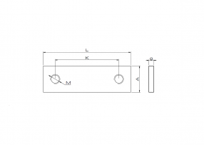
Număr catalog 8115041120881150411248
A x L x g 33x110x633x220x6
K80-
MM12-
K1-30
K2-80
M-M12

Produse compatibile


protecție anti-coroziune: zincare la cald aplicatăprin procesul Sendzimir Banda de amortizare este disponibilă pentru profil. Documentatie tehnica: KDWU 05_2020 z dn. 31.12.2020 ITB-KOT-2020_1562 wyd. 1

DETALII


protecție anti-coroziune: zincare la cald aplicatăprin procesul Sendzimir Banda de amortizare este disponibilă pentru profil. Documentatie tehnica: KDWU 05_2020 z dn. 31.12.2020 ITB-KOT-2020_1562 wyd. 1

DETALII


protecție anti-coroziune: zincare la cald aplicatăprin procesul Sendzimir Banda de amortizare este disponibilă pentru profil. Documentatie tehnica: KDWU 05_2020 z dn. 31.12.2020 ITB-KOT-2020_1562 wyd. 1

DETALII