Catalog online

INAPOI

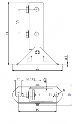
Console rabatabile la unghiul de 180° XP-STRG


AGREMENT TEHNIC



protecție anti-coroziune: Ultra Cover XP

Setul constă din:
- picior,
- placă filetată,
- două șaibe rotunde,
- două șuruburi hexhead cu filet complet..
Utilizare pentru profile MG, MF, MH, MI
Marcaj pentru comandă XP-STRG-MF
Număr catalog 81126041418
Cantitate [buc./amb.] 5
Masa [kg]1,08
A160
B70
K121
E20
c42
d13
H201,4
W80
MM12x20

Produse compatibile


protecție anti-coroziune: zincare la cald aplicatăprin procesul Sendzimir Banda de amortizare este disponibilă pentru profil. Documentatie tehnica: KDWU 05_2020 z dn. 31.12.2020 ITB-KOT-2020_1562 wyd. 1

DETALII


protecție anti-coroziune: zincare la cald aplicatăprin procesul Sendzimir Banda de amortizare este disponibilă pentru profil. Documentatie tehnica: KDWU 05_2020 z dn. 31.12.2020 ITB-KOT-2020_1562 wyd. 1

DETALII


protecție anti-coroziune: zincare la cald aplicatăprin procesul Sendzimir Banda de amortizare este disponibilă pentru profil. Fisa tehnica: Declaratie: 03_2020 z dn. 24.08.2020 Aprobare: ITB-KOT-2018/0744 wyd. 2

DETALII