Catalog online

INAPOI

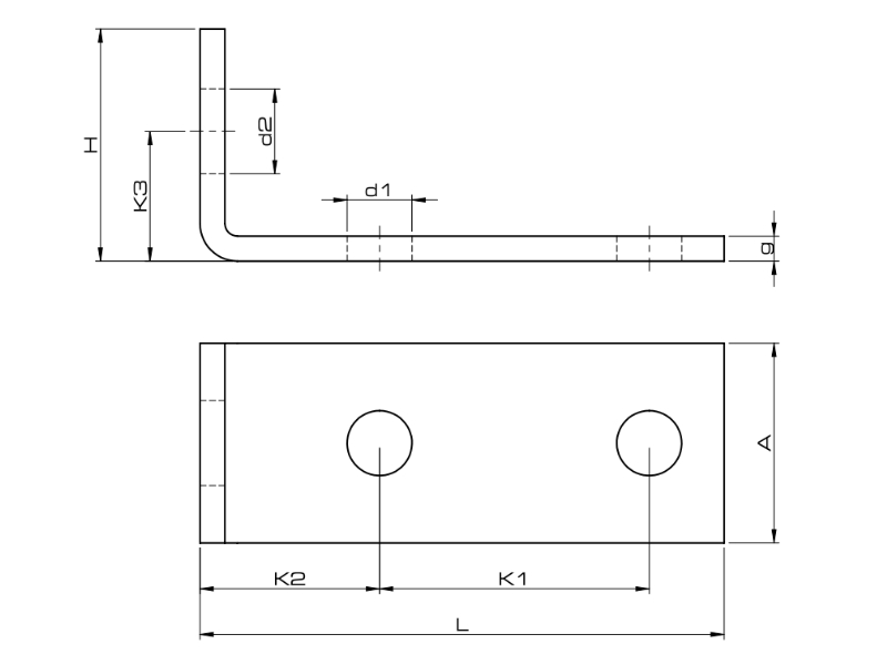
Forme de montaj XX3-MF90-P


AGREMENT TEHNIC



protecție anti-coroziune: ultra cover XP
Documentatie tehnica:
KDWU 05_2020 z dn. 31.12.2020
ITB-KOT-2020_1562 wyd. 1
Marcaj pentru comandă XP-XX3-MF90-P XP-XX3-A90
Număr catalog8114123090881130030908
Masa [kg] 0,200,09
Cantitate [buc./amb.] 1010/25
A x g40x530x4
L x H105x46,5114x30
K15454
K233,2545
K326,515
d11310,5
d2 1710,5

Produse compatibile


protecție anti-coroziune: zincare la cald aplicatăprin procesul Sendzimir Banda de amortizare este disponibilă pentru profil. Documentatie tehnica: KDWU 05_2020 z dn. 31.12.2020 ITB-KOT-2020_1562 wyd. 1

DETALII


protecție anti-coroziune: zincare la cald aplicatăprin procesul Sendzimir Banda de amortizare este disponibilă pentru profil. Documentatie tehnica: KDWU 05_2020 z dn. 31.12.2020 ITB-KOT-2020_1562 wyd. 1

DETALII


protecție anti-coroziune: zincare la cald aplicatăprin procesul Sendzimir Banda de amortizare este disponibilă pentru profil. Documentatie tehnica: KDWU 05_2020 z dn. 31.12.2020 ITB-KOT-2020_1562 wyd. 1

DETALII