Acasa
Despre noi
Catalog online
CONTACT
Catalog online
INAPOI
FORMĂ MONTAJ N-XX7-90
DESCARCA FISA TEHNICA
AGREMENT TEHNIC
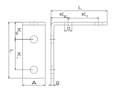
Material: oțel inoxidabil 0H18N9.
Documentatie tehnica:
KDWU 05_2020 z dn. 31.12.2020
ITB-KOT-2020_1562 wyd. 1
Destinate pentru profilele
N-XX7-A90
N-XX7-MF90
Număr catalog
81130070902
81141070902
Masa [kg]
0,09
0,32
Cantitate [buc./amb.]
10
10
A x L x g
30x63x4
40x101x5
K1
31
54
K2
19
32
d
10,5
13