Acasa
Despre noi
Catalog online
CONTACT
Catalog online
INAPOI
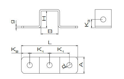
FORMĂ MONTAJ N-XX-XK-MF
DESCARCA FISA TEHNICA
AGREMENT TEHNIC
Material: oțel inoxidabil 0H18N9.
Documentatie tehnica:
KDWU 05_2020 z dn. 31.12.2020
ITB-KOT-2020_1562 wyd. 1
Destinate pentru profilele
N-XK-MF
Număr catalog
81141410000
Masa [kg]
0,24
Cantitate [buc./amb.]
10/25
A x L x g
40x138x4
K1
48,5
K2
20,5
d
13