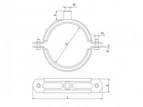
| Gama de diametre D [mm] | Marimea M 1 | Înălțimea conexiunii h [mm] | Versiune | Dimensiunile clemei L [mm]A xg [mm] | Șuruburi de conectare M 2 | Sarcina admisibila [kN] | Greutate [kg] | Cantitate [buc/pachet] | Marca pentru comandă | Număr de catalog |
|---|---|---|---|---|---|---|---|---|---|---|
| 15-17 | M8/M10 | 17 | D | 58-20x1,25 | M6 | 0,80 | 0,051 | 50 | NPZD-3/8'' | 80130312002 |
| 18-22 | M8/M10 | 17 | D | 62-20x1,25 | M6 | 0,80 | 0,054 | 50 | NPZD-1/2'' | 80130301002 |
| 23-27 | M8/M10 | 17 | D | 66-20x1,25 | M6 | 1,00 | 0,060 | 50 | NPZD-3/4'' | 80130304102 |
| 33-37 | M8/M10 | 17 | D | 76-20x1,25 | M6 | 1,00 | 0,066 | 50 | NPZD-1" | 80130310002 |
| 39-44 | M8/M10 | 17 | D | 83-20x1,25 | M6 | 1,00 | 0,072 | 50 | NPZD-11/4'' | 80130303302 |
| 45-49 | M8/M10 | 17 | D | 88-20x1,25 | M6 | 1,00 | 0,073 | 50 | NPZD-11/2'' | 80130311202 |
| 50-54 | M8/M10 | 17 | D | 93-20x1,25 | M6 | 1,00 | 0,077 | 25 | NPZD-54 | 80130332402 |
| 60-65 | M8/M10 | 17 | D | 105-20x1,25 | M6 | 1,00 | 0,132 | 25 | NPZD-2'' | 80130304802 |
| 72-78 | M8/M10 | 17 | D | 118-20x1,5 | M6 | 1,60 | 0,142 | 25 | NPZD-21/2'' | 80130320002 |
| 85-91 | M8/M10 | 17 | D | 132-20x1,8 | M6 | 1,60 | 0,150 | 25 | NPZD-3'' | 80130311402 |
| 99-105 | M8/M10 | 17 | D | 146-25x2,0 | M6 | 1,90 | 0,172 | 25 | NPZD-100 | 80130307602 |
| 106-113 | M8/M10 | 17 | D | 154-25x2,0 | M6 | 1,90 | 0,182 | 25 | NPZD-4'' | 80130312502 |
| 114-122 | M8/M10 | 17 | D | 162-25x2,0 | M6 | 1,90 | 0,190 | 25 | NPZD-114 | 80130325002 |
| 123-131 | M8/M10 | 17 | D | 171-25x2,0 | M6 | 1,90 | 0,202 | 25 | NPZD-125 | 80130327102 |
| 132-140 | M8/M10 | 17 | D | 180-25x2,0 | M6 | 1,90 | 0,212 | 25 | NPZD-5'' | 80130301102 |
| 149-157 | M8/M10 | 17 | D | 200-25x2,5 | M6 | 2,10 | 0,286 | 10 | NPZD-150 | 80130306002 |
| 158-167 | M8/M10 | 17 | D | 209-25x2,5 | M6 | 2,10 | 0,300 | 10 | NPZD-160 | 80130331502 |
| 168-177 | M8/M10 | 17 | D | 218-25x2,5 | M6 | 2,10 | 0,312 | 10 | NPZD-6" | 80130313902 |