Catalog online

INAPOI

COLIERE TIP EXPERT N-UPG


AGREMENT TEHNIC



Material: oțel inoxidabil 0H18N9.
Șuruburi de conectare: cu adâncitură transversală (de la N-UPG-3/8" la N-UPG-5") sau cu canelură hexagonalăl (de la N-UPG-6" la N-UPG-324).
insert de amortizare: material- elastomer EPDM.
rezistență termică: -40°
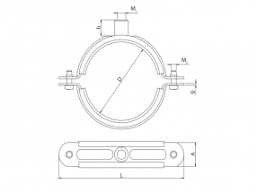
Gama de diametre D [mm] Marimea M 1 Înălțimea conexiunii h [mm] Versiune Dimensiunile clemei L [mm]A xg [mm] Șuruburi de conectare M 2 Sarcina admisibila [kN] Greutate [kg] Cantitate [buc/pachet] Marca pentru comandă Număr de catalog
78-84 M10/M12 17,5B149-26x2,5M6
214-222 M12/M16 25,0C305-35x3,0M8
244-252 M12/M16 25,0C334-35x3,0N
264-273 M12/M16 26,0C376-35x4,0
307-316 M12/M16 26,0C420-35x4,0
317-326 M12/M16 26,0C428-35x4,0
395-404 M12/M16 26,0C467-35x4,0
495-504 M12/M16 26,0C569-35x4,0