Catalog online

INAPOI

Glisiere grele temperatură ridicată PSAH1


AGREMENT TEHNIC



Aplicabilitate: pentru montarea instalațiilor supuse alungirii termice.
Preiau alungirea axială a conductelor și reduc tensiunea în punctele de fixare.
Destinat pentru montare direct pe sol și pentru construcția profilelor de montare.
Protecție an
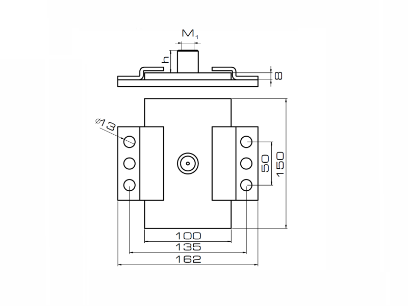
Mărime M1 Înăl. h [mm] Cantitate Deplasare max.[mm] Marcaj pentru comandă Număr catalog
1/2" 15,0133PSAH1-1/2" * 80412101200
3/4" 17,0133PSAH1-3/4" * 80412103400
1" 18,0 133PSAH1-1" * 80412110000
1 1/4" 23,0 133PSAH1-11/4" * 80412111400
M10/12 17,5 133PSAH1-M10/12 80412110120
M12/16 26,0 133PSAH1-M12/16 80412112160
M20 16,0 133PSAH1-M20 * 80412100200

Produse compatibile


Protecție anticorozivă: zinc galvanic.

DETALII