Acasa
Despre noi
Catalog online
CONTACT
Catalog online
INAPOI
CONECTORI X12
DESCARCA FISA TEHNICA
AGREMENT TEHNIC
Protecție împotriva coroziunii: zinc galvanic (la cerere este disponibil și la zincare la cald)
Documentatie tehnica:
KDWU 05_2020 z dn. 31.12.2020
ITB-KOT-2020_1562 wyd. 1
Marcaj pentru comandă
X12-A
X12-MB
Număr catalog
81130120000
81150120000
Masa [kg]
0,09
0,30
Cantitate [buc./amb.]
10
10
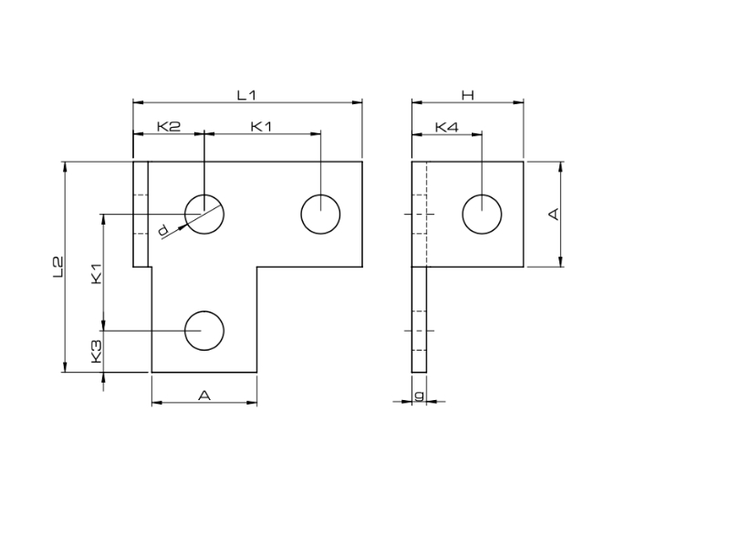
A x g
28,5x4
46x5
L1 x L2 x H
62x57x30,25
99x92x47,5
K1
31,5
54
K2
19,25
30
K3
11,25
15
K4
19
32,5
d
10,5
13