Acasa
Despre noi
Catalog online
CONTACT
Catalog online
INAPOI
CONECTORI X10
DESCARCA FISA TEHNICA
AGREMENT TEHNIC
Protecție împotriva coroziunii: zinc galvanic (la cerere este disponibil și la zincare la cald)
Documentatie tehnica:
KDWU 05_2020 z dn. 31.12.2020
ITB-KOT-2020_1562 wyd. 1
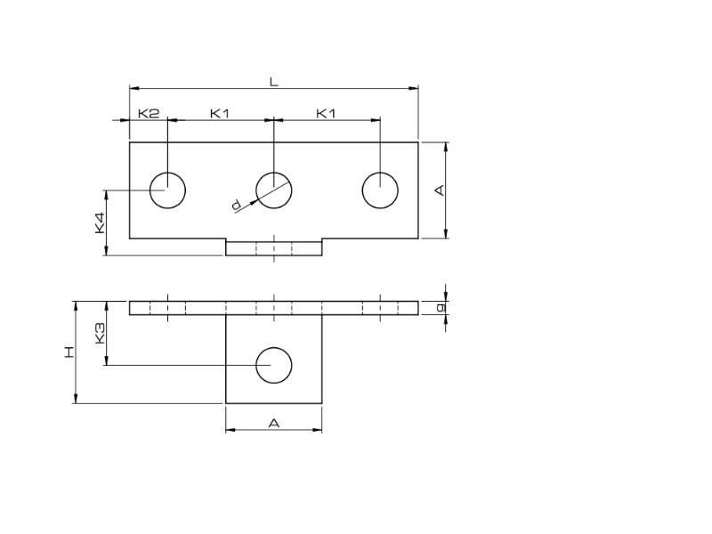
Marcaj pentru comandă
X10-MB
Număr catalog
81150100000
Cantitate [buc./amb.]
10
A x g
46x5
L x H
138x47,5
K1
54
K2
15
K3
32,5
K4
30
d
13