Acasa
Despre noi
Catalog online
CONTACT
Catalog online
INAPOI
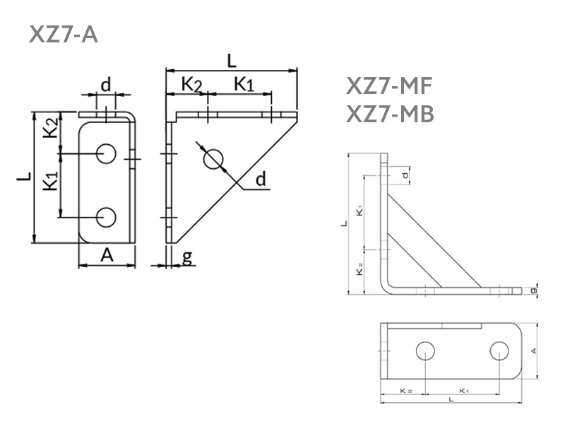
CONECTORI XZ7
DESCARCA FISA TEHNICA
AGREMENT TEHNIC
Protecție împotriva coroziunii: zinc galvanic (la cerere este disponibil și la zincare la cald)
Documentatie tehnica:
KDWU 05_2020 z dn. 31.12.2020
ITB-KOT-2020_1562 wyd. 1
Marcaj pentru comandă
XZ7-MF
XZ7-MB
Număr catalog
81141070010
81150070010
Cantitate [buc./amb.]
10
10
A x L x g
40x101x5
40x101x5
K1
54
54
K2
32
32
d
13
13