Acasa
Despre noi
Catalog online
CONTACT
Catalog online
INAPOI
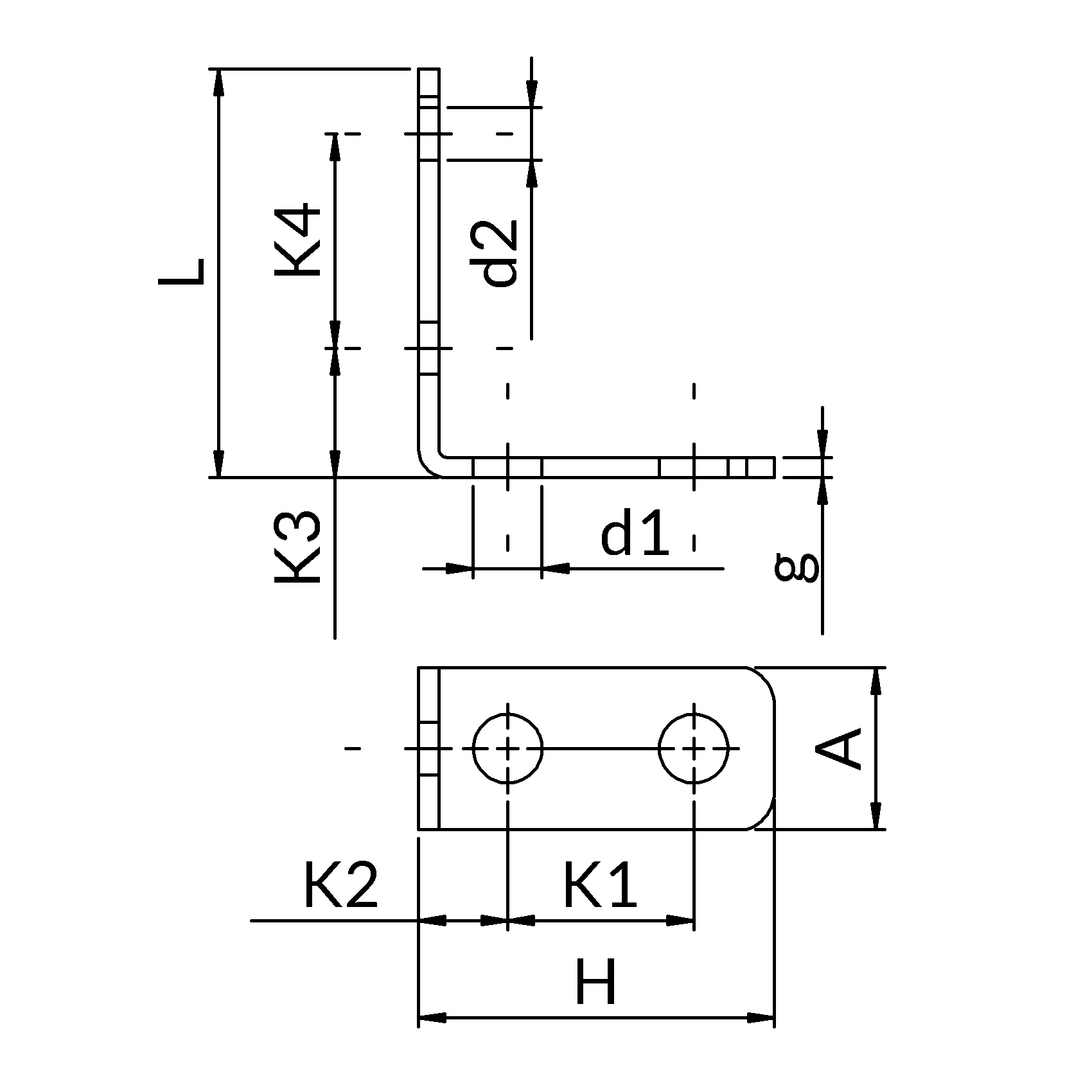
CONECTORI XX7-MF90-P
DESCARCA FISA TEHNICA
AGREMENT TEHNIC
Protecție împotriva coroziunii: zinc galvanic (la cerere este disponibil și la zincare la cald)
Documentatie tehnica:
KDWU 05_2020 z dn. 31.12.2020
ITB-KOT-2020_1562 wyd. 1
Marcaj pentru comandă
XX7-MF90-P
Număr catalog
81141270900
Masa [kg]
0,26
Cantitate [buc./amb.]
10
A x L x g
40x99,5x5
K1
54
K2
30,6
K3
22
K4
46
d1
13
d2
17