Acasa
Despre noi
Catalog online
CONTACT
Catalog online
INAPOI
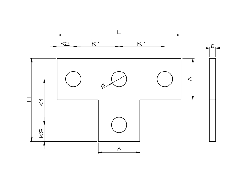
CONECTORI X6
DESCARCA FISA TEHNICA
AGREMENT TEHNIC
Protecție împotriva coroziunii: zinc galvanic (la cerere este disponibil și la zincare la cald)
Documentatie tehnica:
KDWU 05_2020 z dn. 31.12.2020
ITB-KOT-2020_1562 wyd. 1
Marcaj pentru comandă
X6-A
X6-MB
Număr catalog
81130060000
81150060000
Masa [kg]
0,09
0,31
Cantitate [buc./amb.]
10
10
A x g
28,5x4
46x5
L x H
85,5x57
138x92
K1
31,5
54
K2
11,25
15
d
10,5
13