Acasa
Despre noi
Catalog online
CONTACT
Catalog online
INAPOI
CONECTORI X5
DESCARCA FISA TEHNICA
AGREMENT TEHNIC
Protecție împotriva coroziunii: zinc galvanic (la cerere este disponibil și la zincare la cald)
Documentatie tehnica:
KDWU 05_2020 z dn. 31.12.2020
ITB-KOT-2020_1562 wyd. 1
Marcaj pentru comandă
X5-MB
Număr catalog
81150050000
Masa [kg]
0,23
Cantitate [buc./amb.]
10
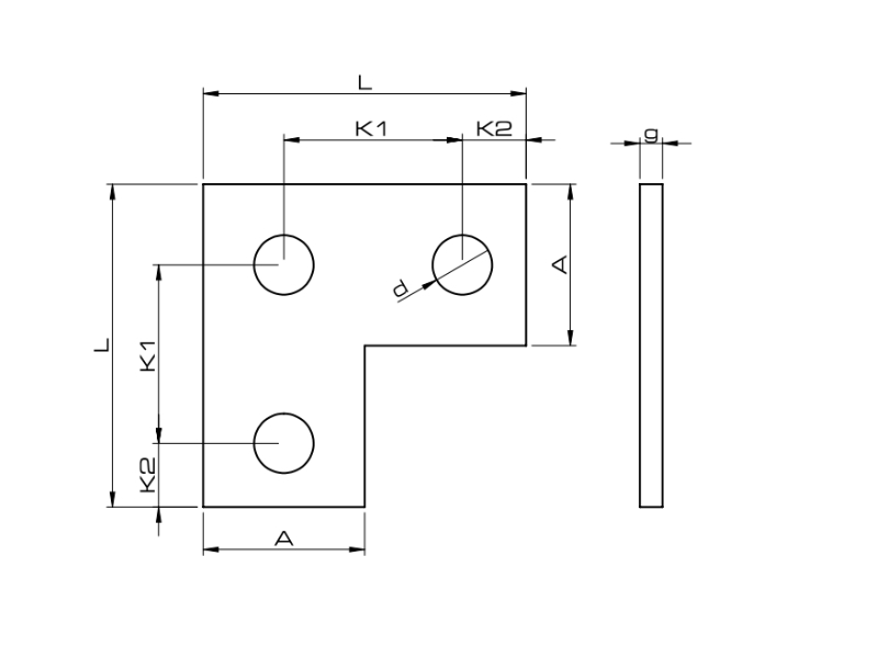
A x L x g
46x92x5
K1
54
K2
23
d
13