Acasa
Despre noi
Catalog online
CONTACT
Catalog online
INAPOI
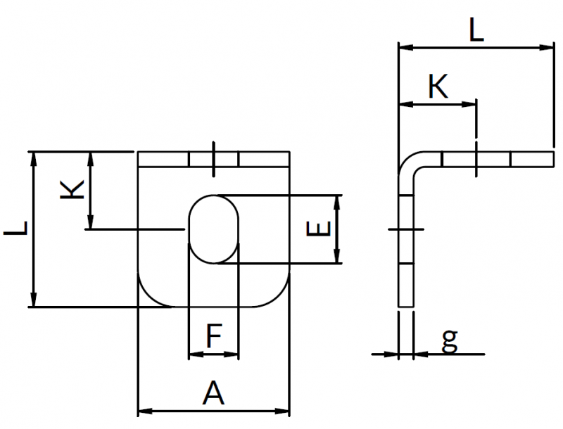
CONECTORI X7-MF
DESCARCA FISA TEHNICA
AGREMENT TEHNIC
Protecție împotriva coroziunii: zinc galvanic
Documentatie tehnica:
KDWU 05_2020 z dn. 31.12.2020
ITB-KOT-2020_1562 wyd. 1
Marcaj pentru comandă
X7-MF
Destinate pentru profilele
MG, MF, MH, MI
Număr catalog
81170070000
Masa [kg]
0,080
Cantitate [buc./amb.]
10
Dimensiuni [mm]
A x L x g
40x41x4
K
20,5
d
-
E x F
18x13